Главная > Подшипники> Шариковые> Радиально-упорные>SEA140 7CE3

SEA140 7CE3 — Радиально-упорный шарикоподшипник, импортное производство по ISO стандарту, размер 140x175x18 номер основного исполнения .
Производитель: SNFA.
С = Необслуживаемые концы стержней, внутренняя резьба.
Цена по запросу
Цена на подшипник зависит от:
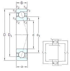
Габаритные размеры
Размеры и геометрические характеристики
Нагрузка и ресурс
Защита
Присоединительные размеры
Конструкция и исполнение
Подшипник однорядный шариковый радиальный 61828 (CRAFT, CX, INA, ISB, ISO)
Подшипник однорядный шариковый радиальный 61828 C3 (INA)
Подшипник шариковый радиальный 61828 ZZ (CX, INA, ISO)
Подшипник однорядный шариковый радиальный 61828 2RS (CX, INA, ISB, ISO, ZEN)
Подшипник шариковый радиальный 1000828 АЛ (ГПЗ-23)
Подшипник шариковый радиальный однорядный 1000828 Ю (ГПЗ-4)