Главная > Подшипники> Шариковые> Радиально-упорные>SEA130 7CE3

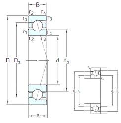
SEA130 7CE3 — Радиально-упорный шарикоподшипник, импортное производство по ISO стандарту, размер 130x165x18 номер основного исполнения .
Производитель: SNFA.
С = Необслуживаемые концы стержней, внутренняя резьба.
Цена по запросу
Цена на подшипник зависит от:
Габаритные размеры
Размеры и геометрические характеристики
Нагрузка и ресурс
Защита
Присоединительные размеры
Конструкция и исполнение
Подшипник однорядный шариковый радиальный 61826 (CRAFT, CX, FAG, INA, ISB)
Подшипник однорядный шариковый радиальный 61826 Y (INA)
Подшипник однорядный шариковый радиальный 61826 2RSY (INA)
Подшипник однорядный шариковый радиальный 61826 C3 (INA)
Подшипник шариковый радиальный однорядный 1000826 Л