Главная > Подшипники> Шариковые> Радиально-упорные>SEA12 7CE1

SEA12 7CE1 — Подшипник шариковый однорядный радиально-упорный, импортное производство по ISO стандарту, размер 12x21x5 номер основного исполнения .
Производитель: SNFA.
С = фенольная смола. E = Расположение внешнего сепаратора. 1 = CD (SKF) = 15 градусов угол контакта.
Цена по запросу
Цена на подшипник зависит от:
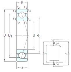
Габаритные размеры
Размеры и геометрические характеристики
Нагрузка и ресурс
Защита
Коэффициенты для расчета
Присоединительные размеры
Конструкция и исполнение
Подшипник однорядный шариковый радиальный 61801 (CRAFT, CX, FAG, ISB, ISO)
Подшипник шариковый однорядный радиально-упорный 71801 (SKF)
Подшипник однорядный шариковый радиальный 61801 C3 (NKE)
Подшипник однорядный шариковый радиальный 61801 2RS1 (NKE, SKF)
Подшипник однорядный шариковый радиальный 61801 2RSZ (NKE)