Главная > Подшипники> Шариковые> Радиально-упорные>SEA105 7CE3

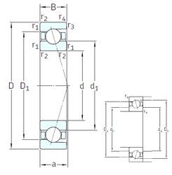
SEA105 7CE3 — Радиально-упорный шарикоподшипник, импортное производство по ISO стандарту, размер 105x130x13 номер основного исполнения .
Производитель: SNFA.
С = Необслуживаемые концы стержней, внутренняя резьба.
Цена по запросу
Цена на подшипник зависит от:
Габаритные размеры
Размеры и геометрические характеристики
Нагрузка и ресурс
Защита
Присоединительные размеры
Конструкция и исполнение
Подшипник однорядный шариковый радиальный 61821 2ZY (FAG, NKE)
Подшипник однорядный шариковый радиальный 61821 C3 (NKE)
Подшипник однорядный шариковый радиальный 61821 2RSR.C3 (NKE)
Подшипник шариковый радиальный однорядный 1000821
Подшипник шариковый радиальный однорядный 1000821 Л
Подшипник шариковый радиальный однорядный 45-1000821 Ю1 (ГПЗ-4)