Главная > Подшипники> Шариковые> Радиально-упорные>SEA100 /NS 7CE3

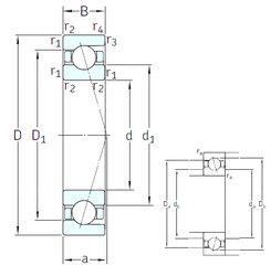
SEA100 /NS 7CE3 — Радиально-упорный шарикоподшипник, импортное производство по ISO стандарту, размер 100x125x13 номер основного исполнения .
Производитель: SNFA.
S = смазочный паз и три отверстия в наружном кольце подшипника.
Цена по запросу
Цена на подшипник зависит от:
Габаритные размеры
Размеры и геометрические характеристики
Нагрузка и ресурс
Защита
Присоединительные размеры
Конструкция и исполнение
Подшипник однорядный шариковый радиальный 61820 (CRAFT, CX, ISB, ISO, NKE)
Подшипник однорядный шариковый радиальный 618202ZY (FAG, NKE)
Подшипник однорядный шариковый радиальный 61820C3 (NKE)
Подшипник шариковый радиальный 1000820 АЕ25 (ГПЗ-23)
Подшипник шариковый радиальный однорядный 1000820
Подшипник шариковый радиально-упорный 5-1126820 Р (ГПЗ-4)