Главная > Подшипники> Шариковые> Радиально-упорные>SEA10 7CE1

SEA10 7CE1 — Радиально-упорный шарикоподшипник, импортное производство по ISO стандарту, размер 10x19x5 номер основного исполнения .
Производитель: SNFA.
С = фенольная смола. E = Расположение внешнего сепаратора. 1 = CD (SKF) = 15 градусов угол контакта.
Цена по запросу
Цена на подшипник зависит от:
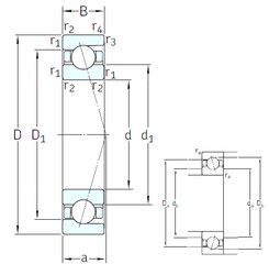
Габаритные размеры
Размеры и геометрические характеристики
Нагрузка и ресурс
Защита
Коэффициенты для расчета
Присоединительные размеры
Конструкция и исполнение
Подшипник однорядный шариковый радиальный 61800 (CRAFT, CX, FAG, IBC, ISB)
Подшипник шариковый однорядный радиально-упорный 71800 (SKF)
Подшипник однорядный шариковый радиальный 618002RSR (FAG, IBC, NKE)
Подшипник однорядный шариковый радиальный 618002Z (FAG, IBC, NKE, SKF, ZEN)
Подшипник однорядный шариковый радиальный 618002Z.C3 (IBC)