Главная > Подшипники> Линейные>SDMK8MG

SDMK8MG — импортное производство по ISO стандарту номер основного исполнения .
Производитель: KOYO.
M = максимальная емкость, насечка для заполнения. G = стопорное кольцо Groove В наружном кольце подшипника и целесообразных стопорное кольцо.
Цена по запросу
Цена на подшипник зависит от:
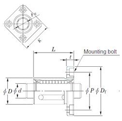
Габаритные размеры
Размеры и геометрические характеристики
Нагрузка и ресурс
Защита
Конструкция и исполнение
Другие размеры