Главная > Подшипники> Линейные>SDMK80

SDMK80 — импортное производство по ISO стандарту основное исполнение.
Производитель: KOYO.
К = Коническая посадка, конусность 1:12.
Цена по запросу
Цена на подшипник зависит от:
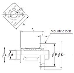
Габаритные размеры
Размеры и геометрические характеристики
Нагрузка и ресурс
Защита
Конструкция и исполнение
Другие размеры