Главная > Подшипники> Шариковые> Радиально-упорные>SDA9103 DDY2

SDA9103 DDY2 — Подшипник шариковый радиально-упорный, импортное производство по ISO стандарту, размер 35x50x20 номер основного исполнения SDA9103.
Производитель: KBC.
DD = резиновые уплотнения на каждой стороне подшипника.
Цена по запросу
Цена на подшипник зависит от:
| Обозначение | Модификация |
|---|---|
| SDA9103 | Основное конструктивное исполнение. |
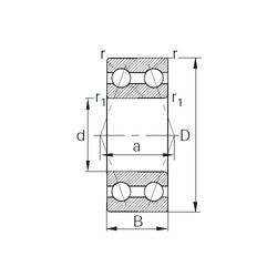
Габаритные размеры
Размеры и геометрические характеристики
Нагрузка и ресурс
Защита
Присоединительные размеры
Конструкция и исполнение
Подшипник шариковый радиальный F16099 (Fersa)
Игольчатый роликоподшипник LM405020-1 (NSK)
Игольчатый роликоподшипник LM4020 (NSK)
Игольчатый роликоподшипник NK40/20R+IR35x40x20 (NTN)
Роликовый игольчатый подшипник NKI 35/20 (CX, FBJ, ISO, JNS, NBS)
Игольчатый роликоподшипник NKI35/20-TN-XL (INA)