Главная > Подшипники> Шариковые> Радиально-упорные>SDA9102

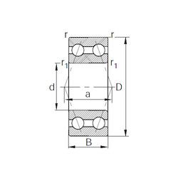
SDA9102 — Подшипник шариковый радиально-упорный, импортное производство по ISO стандарту, размер 30x52x22 основное исполнение.
Производитель: KBC.
Цена по запросу
Цена на подшипник зависит от:
| Обозначение | Модификация |
|---|---|
| SDA9102 DDY2 | DD = резиновые уплотнения на каждой стороне подшипника. |
Габаритные размеры
Размеры и геометрические характеристики
Нагрузка и ресурс
Защита
Присоединительные размеры
Конструкция и исполнение
Подшипник шариковый радиальный F16097 (Fersa)
Роликовый игольчатый подшипник NA2030 (KOYO, TIMKEN)
Роликовый игольчатый подшипник NKIS30 (CX, INA, ISO, NBS, NIS)
Роликовый игольчатый подшипник NKIS30-XL (INA)
Роликовый игольчатый подшипник NKJS30 (KOYO, TIMKEN)
Радиально-упорный шарикоподшипник 30BGS10G-2DL (NACHI)