Главная > Подшипники> Шариковые> Радиально-упорные>SDA9101 DDY2

SDA9101 DDY2 — Подшипник шариковый радиально-упорный, импортное производство по ISO стандарту, размер 30x55x23 номер основного исполнения SDA9101.
Производитель: KBC.
DD = резиновые уплотнения на каждой стороне подшипника.
Цена по запросу
Цена на подшипник зависит от:
| Обозначение | Модификация |
|---|---|
| SDA9101 | Основное конструктивное исполнение. |
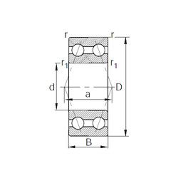
Габаритные размеры
Размеры и геометрические характеристики
Нагрузка и ресурс
Защита
Присоединительные размеры
Конструкция и исполнение
Подшипник шариковый радиальный F16098 (Fersa)
Подшипник шариковый двухрядный радиально-упорный 30BG05S5G-2DST (NACHI)
Подшипник шариковый двухрядный радиально-упорный 30BG05S5G-2DS (NACHI)
Радиально-упорный шарикоподшипник 30BD40DU (NSK)
Радиально-упорный шарикоподшипник 30BG05S5G (NACHI)
Радиально-упорный шарикоподшипник 30BD219V (NACHI)