Главная > Подшипники> Шариковые> Радиально-упорные>SDA0112

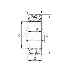
SDA0112 — Подшипник шариковый радиально-упорный, импортное производство по ISO стандарту, размер 69x92x24 основное исполнение.
Производитель: KBC.
Цена по запросу
Цена на подшипник зависит от:
Габаритные размеры
Размеры и геометрические характеристики
Нагрузка и ресурс
Защита
Присоединительные размеры
Конструкция и исполнение