Главная > Подшипники> Линейные>SCW 60 AS

SCW 60 AS — импортное производство по ISO стандарту, размер 60x32x108 номер основного исполнения SCW60.
Производитель: NBS.
Шайбы AS упорного игольчатого подшипника, соответствующие для AXK и K811, к DIN 5405-3 / ISO 303
Цена по запросу
Цена на подшипник зависит от:
| Обозначение | Модификация |
|---|---|
| SCW 60 | |
| SCW 60-UU | Резиновое уплотнение на каждой стороне подшипника. |
| SCW 60-UU AS | Шайбы AS упорного игольчатого подшипника, соответствующие для AXK и K811, к DIN 5405-3 / ISO 303 |
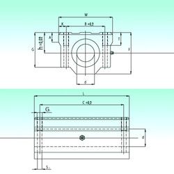
Габаритные размеры
Размеры и геометрические характеристики
Нагрузка и ресурс
Защита
Присоединительные размеры
Другие размеры