Главная > Подшипники> Линейные>SCW 20-UU AS

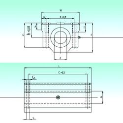
SCW 20-UU AS — импортное производство по ISO стандарту, размер 20x32x40 номер основного исполнения SCW20.
Производитель: NBS.
Шайбы AS упорного игольчатого подшипника, соответствующие для AXK и K811, к DIN 5405-3 / ISO 303
Цена по запросу
Цена на подшипник зависит от:
Габаритные размеры
Размеры и геометрические характеристики
Нагрузка и ресурс
Защита
Присоединительные размеры
Другие размеры