Главная > Подшипники> Линейные>SCW 10 AS

SCW 10 AS — импортное производство по ISO стандарту номер основного исполнения SCW10.
Производитель: NBS.
Шайбы AS упорного игольчатого подшипника, соответствующие для AXK и K811, к DIN 5405-3 / ISO 303
Цена по запросу
Цена на подшипник зависит от:
| Обозначение | Модификация |
|---|---|
| SCW 10 | |
| SCW 10-UU | Резиновое уплотнение на каждой стороне подшипника. |
| SCW 10-UU AS | Шайбы AS упорного игольчатого подшипника, соответствующие для AXK и K811, к DIN 5405-3 / ISO 303 |
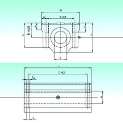
Габаритные размеры
Размеры и геометрические характеристики
Нагрузка и ресурс
Защита
Присоединительные размеры
Другие размеры