Главная > Подшипники> Линейные>SC 50-UU

SC 50-UU — импортное производство по ISO стандарту, размер 50x16x100 номер основного исполнения SC50.
Производится брендами: NBS, Samick.
Резиновое уплотнение на каждой стороне подшипника.
Цена по запросу
Цена на подшипник зависит от:
| Обозначение | Модификация |
|---|---|
| SC 50 | |
| SC 50 AS | Шайбы AS упорного игольчатого подшипника, соответствующие для AXK и K811, к DIN 5405-3 / ISO 303 |
| SC 50-UU AS | Шайбы AS упорного игольчатого подшипника, соответствующие для AXK и K811, к DIN 5405-3 / ISO 303 |
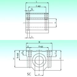
Габаритные размеры
Размеры и геометрические характеристики
Нагрузка и ресурс
Защита
Присоединительные размеры
Другие размеры