Главная > Подшипники> Линейные>SC 40

SC 40 — импортное производство по ISO стандарту, размер 40x16x80 номер основного исполнения SC40.
Производитель: NBS.
Цена по запросу
Цена на подшипник зависит от:
| Обозначение | Модификация |
|---|---|
| SC 40-UU | Резиновое уплотнение на каждой стороне подшипника. |
| SC 40 AS | Шайбы AS упорного игольчатого подшипника, соответствующие для AXK и K811, к DIN 5405-3 / ISO 303 |
| SC 40-UU AS | Шайбы AS упорного игольчатого подшипника, соответствующие для AXK и K811, к DIN 5405-3 / ISO 303 |
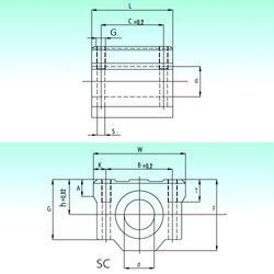
Габаритные размеры
Размеры и геометрические характеристики
Защита
Присоединительные размеры
Другие размеры