Главная > Подшипники> Линейные>SC 20-UU

SC 20-UU — Линейный шариковый подшипник, импортное производство по ISO стандарту номер основного исполнения SC20.
Производится брендами: NBS, Samick.
Резиновое уплотнение на каждой стороне подшипника.
Цена по запросу
Цена на подшипник зависит от:
| Обозначение | Модификация |
|---|---|
| SC 20 | |
| SC 20 AS | Шайбы AS упорного игольчатого подшипника, соответствующие для AXK и K811, к DIN 5405-3 / ISO 303 |
| SC 20-UU AS | Шайбы AS упорного игольчатого подшипника, соответствующие для AXK и K811, к DIN 5405-3 / ISO 303 |
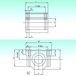
Габаритные размеры
Размеры и геометрические характеристики
Нагрузка и ресурс
Защита
Присоединительные размеры
Другие размеры