Главная > Подшипники> Линейные>SC 10-UU

SC 10-UU — импортное производство по ISO стандарту, размер 10x30x28 номер основного исполнения SC10.
Производится брендами: NBS, Samick.
Резиновое уплотнение на каждой стороне подшипника.
Цена по запросу
Цена на подшипник зависит от:
| Обозначение | Модификация |
|---|---|
| SC 10 | |
| SC 10 AS | Шайбы AS упорного игольчатого подшипника, соответствующие для AXK и K811, к DIN 5405-3 / ISO 303 |
| SC 10-UU AS | Шайбы AS упорного игольчатого подшипника, соответствующие для AXK и K811, к DIN 5405-3 / ISO 303 |
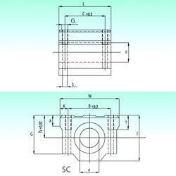
Габаритные размеры
Размеры и геометрические характеристики
Нагрузка и ресурс
Защита
Присоединительные размеры
Другие размеры