Главная > Подшипники> Линейные>SC 08 AS

SC 08 AS — импортное производство по ISO стандарту, размер 8x30x24 номер основного исполнения SC08.
Производитель: NBS.
Шайбы AS упорного игольчатого подшипника, соответствующие для AXK и K811, к DIN 5405-3 / ISO 303
Цена по запросу
Цена на подшипник зависит от:
| Обозначение | Модификация |
|---|---|
| SC 08 | |
| SC 08-UU | Резиновое уплотнение на каждой стороне подшипника. |
| SC 08-UU AS | Шайбы AS упорного игольчатого подшипника, соответствующие для AXK и K811, к DIN 5405-3 / ISO 303 |
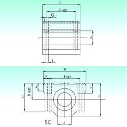
Габаритные размеры
Размеры и геометрические характеристики
Защита
Присоединительные размеры
Другие размеры