Главная > Подшипники> Шарнирные скольжения>SAR1-40SS

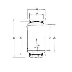
SAR1-40SS — Радиальный сферический подшипник скольжения, импортное производство по ISO стандарту, размер 40x62x28 номер основного исполнения .
Производитель: NTN.
S = смазочный паз и три отверстия в наружном кольце подшипника.
Цена по запросу
Цена на подшипник зависит от:
Габаритные размеры
Размеры и геометрические характеристики
Нагрузка и ресурс
Защита
Подшипник скольжения сферический 1-Ш40 ЮТВК1 (ГПЗ-3)
Подшипник скольжения сферический 1-ШСП40 К (ГПЗ-3)
Подшипник скольжения сферический 1-ШСП40 (ГПЗ-3)
Подшипник шарнирный 1-ШСП40КИ
Подшипник шарнирный НУШС40 Ю (ГПЗ-3)
Подшипник шарнирный ШЛТ40