Главная > Подшипники> Шарнирные скольжения>SAR1-35SS

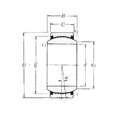
SAR1-35SS — Радиальный сферический подшипник скольжения, импортное производство по ISO стандарту, размер 35x55x25 номер основного исполнения .
Производитель: NTN.
S = смазочный паз и три отверстия в наружном кольце подшипника.
Цена по запросу
Цена на подшипник зависит от:
Габаритные размеры
Размеры и геометрические характеристики
Нагрузка и ресурс
Защита
Подшипник роликовый радиальный с короткими роликами 822707 Д1 (ГПЗ-4)
Подшипник роликовый радиальный с короткими роликами 822707 Д
Подшипник шарнирный 1-ЕШСП35КИ
Подшипник шариковый радиальный самоцентрирующийся GE 35 BBL (ISB)
Радиальный сферический подшипник скольжения 35FSF55 (NSK)
Сферический шарнирный подшипник GAR 35 DO-2RS (INA)