Главная > Подшипники> Шарнирные скольжения>SAR1-30

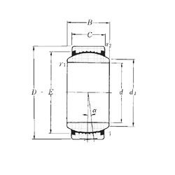
SAR1-30 — Радиальный сферический подшипник скольжения, импортное производство по ISO стандарту, размер 30x47x22 номер основного исполнения .
Производитель: NTN.
Цена по запросу
Цена на подшипник зависит от:
Габаритные размеры
Размеры и геометрические характеристики
Нагрузка и ресурс
Защита
Сферический подшипник скольжения GE30 (ELGES)
Сферический подшипник скольжения GE30AW (ELGES, INA, ISO)
Сферический подшипник скольжения GE30AX (ELGES, INA, SIGMA)
Сферический подшипник скольжения GE30DO (ELGES, INA, ISO)
Сферический подшипник скольжения GE30ES (CRAFT, ELGES, FBJ, IKO, LS)
Сферический подшипник скольжения GE30FO.2RS (ELGES, INA, ISO)