Главная > Подшипники> Шарнирные скольжения>SAR1-25

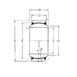
SAR1-25 — Радиальный сферический подшипник скольжения, импортное производство по ISO стандарту, размер 25x42x20 номер основного исполнения .
Производитель: NTN.
Цена по запросу
Цена на подшипник зависит от:
Габаритные размеры
Размеры и геометрические характеристики
Нагрузка и ресурс
Защита
Подшипник шарнирный 1-ШСП25КИ
Подшипник скольжения сферический НУ2ШС25 ЮТВК (ГПЗ-3)
Подшипник шарнирный НУШС25 ЮТ (ГПЗ-3)
Подшипник шарнирный НУШС25 Ю (ГПЗ-3)
Подшипник шарнирный НУШС25 (ГПЗ-3)
Подшипник шарнирный НУШС25 К (ГПЗ-3)