Главная > Подшипники> Шариковые> Радиально-упорные>SA0330

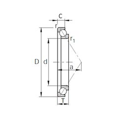
SA0330 — Подшипник шариковый радиально-упорный, импортное производство по ISO стандарту, размер 250x330x38 основное исполнение.
Производитель: KBC.
Цена по запросу
Цена на подшипник зависит от:
Габаритные размеры
Размеры и геометрические характеристики
Нагрузка и ресурс
Защита
Присоединительные размеры
Конструкция и исполнение