Главная > Подшипники> Шариковые> Радиально-упорные>SA0300h

SA0300h — Подшипник шариковый радиально-упорный, импортное производство по ISO стандарту, размер 230x300x33 номер основного исполнения SA0300.
Производитель: KBC.
H = высокая, узкая каретка для двухрядного шарикоподшипника и направляющей в сборе.
Цена по запросу
Цена на подшипник зависит от:
| Обозначение | Модификация |
|---|---|
| SA0300 | Основное конструктивное исполнение. |
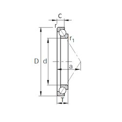
Габаритные размеры
Размеры и геометрические характеристики
Нагрузка и ресурс
Защита
Присоединительные размеры
Конструкция и исполнение