Главная > Подшипники> Шариковые> Радиальные>RW4ZZ

RW4ZZ — импортное производство по ISO стандарту номер основного исполнения .
Производитель: AST.
ZZ = Два металлических экрана.
Цена по запросу
Цена на подшипник зависит от:
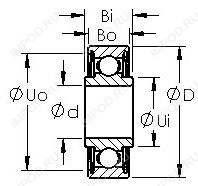
Габаритные размеры
Подшипник шариковый однорядный радиально-упорный DW4K2 (AST)
Подшипник однорядный шариковый радиальный R 4B ZZ (ISO, NSK)
Радиальный шарикоподшипник R-1560X13KK (NMB)
Радиальный шарикоподшипник R-1560X2 (NMB)