Главная > Подшипники> Шариковые> Радиальные>RW2ZZ

RW2ZZ — импортное производство по ISO стандарту номер основного исполнения .
Производитель: AST.
ZZ = Два металлических экрана.
Цена по запросу
Цена на подшипник зависит от:
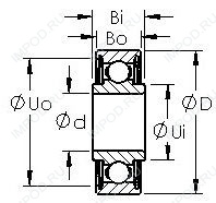
Габаритные размеры
Подшипник шариковый радиальный ME93 (ISB)
Подшипник шариковый радиальный ME93ZZ (ISB)
Подшипник шариковый радиальный MF93 (FBJ, ISB, ISO, NSK, ZEN)
Подшипник однорядный шариковый радиальный MF93ZZ (FBJ, ISB, ISO, NSK)
Радиальный шарикоподшипник MF93-2Z (ZEN)