Главная > Подшипники> Роликовые > Упорные>RU 148X

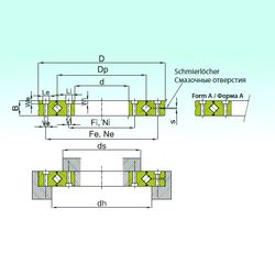
RU 148X — Подшипник роликовый опорно-поворотный, импортное производство по ISO стандарту, размер 90x210x25 номер основного исполнения RU148.
Производитель: ISB.
X = Внешние размеры, соответствующие международным стандартам.
Цена по запросу
Цена на подшипник зависит от:
Габаритные размеры
Размеры и геометрические характеристики
Нагрузка и ресурс
Защита
Конструкция и исполнение
Другие размеры