Главная > Подшипники> Роликовые > Упорные>RTW619

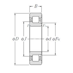
RTW619 — Подшипник роликовый упорный, импортное производство по ISO стандарту, размер 57x101x33 основное исполнение.
Производитель: INA.
Цена по запросу
Цена на подшипник зависит от:
Габаритные размеры
Размеры и геометрические характеристики
Нагрузка и ресурс