Главная > Подшипники>RS-5036NR

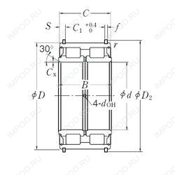
RS-5036NR — Цилиндрический роликоподшипник, импортное производство по ISO стандарту номер основного исполнения .
Производитель: NSK.
Стопорное кольцо и проточка под него в наружном кольце подшипника.
Цена по запросу
Цена на подшипник зависит от:
Габаритные размеры
Размеры и геометрические характеристики
Нагрузка и ресурс
Однорядный цилиндрический роликовый подшипник NJ1036 M (AST)
Подшипник роликовый цилиндрический двухрядный NN 3036 K/SPW33 (ISB, SKF)
Цилиндрический роликоподшипник NN 3036 SPW33 (ISB)
Подшипник роликовый цилиндрический двухрядный NN 3036 K (CX, ISO, KOYO, NACHI, NSK)
Цилиндрический роликоподшипник NN3036C1NAP5 (NTN)
Цилиндрический роликоподшипник NN3036MBKR (NSK)