Главная > Подшипники>RS-5028NR

RS-5028NR — Цилиндрический роликоподшипник, импортное производство по ISO стандарту номер основного исполнения .
Производитель: NSK.
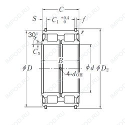
Стопорное кольцо и проточка под него в наружном кольце подшипника.
Цена по запросу
Цена на подшипник зависит от:
Габаритные размеры
Размеры и геометрические характеристики
Нагрузка и ресурс
Подшипник роликовый цилиндрический двухрядный NN 3028 K/SPW33 (ISB, SKF)
Подшипник роликовый цилиндрический двухрядный NN 3028 K (CX, ISO, KOYO, NACHI, NSK)
Подшипник роликовый цилиндрический двухрядный NN 3028 (CX, ISO, KOYO, NACHI, NSK)
Подшипник роликовый цилиндрический двухрядный NN 3028 SPW33 (ISB)
Подшипник роликовый цилиндрический двухрядный NN3028-AS-K-M-SP (FAG, INA)
Цилиндрический роликоподшипник NN3028C2NAP5 (NTN)