Главная > Подшипники>RS-5017NR

RS-5017NR — Цилиндрический роликоподшипник, импортное производство по ISO стандарту номер основного исполнения .
Производитель: NSK.
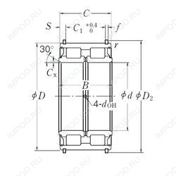
Стопорное кольцо и проточка под него в наружном кольце подшипника.
Цена по запросу
Цена на подшипник зависит от:
Габаритные размеры
Размеры и геометрические характеристики
Нагрузка и ресурс
Подшипник роликовый цилиндрический двухрядный NN 3017 KTN9/SP (ISB, SKF)
Подшипник роликовый цилиндрический двухрядный NN 3017 K (CX, ISO, KOYO, NACHI, NSK)
Подшипник роликовый цилиндрический двухрядный NN 3017 TN9/SP (ISB, SKF)
Цилиндрический роликоподшипник NN3017MB (NSK)
Цилиндрический роликоподшипник NN3017ZTB (NSK)
Цилиндрический роликоподшипник NN3017K/W33 (CYSD)