Главная > Подшипники>RS-5016NR

RS-5016NR — Цилиндрический роликоподшипник, импортное производство по ISO стандарту номер основного исполнения .
Производитель: NSK.
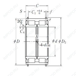
Стопорное кольцо и проточка под него в наружном кольце подшипника.
Цена по запросу
Цена на подшипник зависит от:
Габаритные размеры
Размеры и геометрические характеристики
Нагрузка и ресурс
Подшипник роликовый радиально-упорный однорядный 4-17816 Л1
Подшипник шариковый из нержавеющей стали S6016-2RS (ZEN)
Радиальный шарикоподшипник S6016 (ZEN)
Подшипник роликовый цилиндрический двухрядный NN 3016 KTN/SP (ISB, SKF)
Подшипник роликовый цилиндрический двухрядный NN 3016 K (CX, ISO, KOYO, NACHI, NSK)
Цилиндрический роликоподшипник NN3016K/W33 (CYSD)