Главная > Подшипники>RS-5014NR

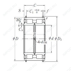
RS-5014NR — Цилиндрический роликоподшипник, импортное производство по ISO стандарту номер основного исполнения .
Производитель: NSK.
Стопорное кольцо и проточка под него в наружном кольце подшипника.
Цена по запросу
Цена на подшипник зависит от:
Габаритные размеры
Размеры и геометрические характеристики
Нагрузка и ресурс
Подшипник шариковый упорный 188814 (ГПЗ-20)
Подшипник шариковый из нержавеющей стали S6014-2RS (ZEN)
Подшипник шариковый из нержавеющей стали S6014 (ZEN)
Однорядный цилиндрический роликовый подшипник NJ1014 M (AST)
Подшипник роликовый цилиндрический двухрядный NN 3014 K (CX, ISO, KOYO, NACHI, NSK)
Подшипник роликовый цилиндрический двухрядный NN 3014 TN/SP (ISB, SKF)