Главная > Подшипники>RS-5011NR

RS-5011NR — Цилиндрический роликоподшипник, импортное производство по ISO стандарту номер основного исполнения .
Производитель: NSK.
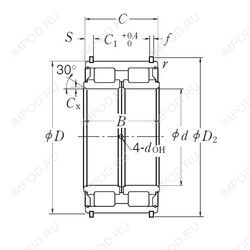
Стопорное кольцо и проточка под него в наружном кольце подшипника.
Цена по запросу
Цена на подшипник зависит от:
Габаритные размеры
Размеры и геометрические характеристики
Нагрузка и ресурс
Подшипник шариковый упорный 18211 К (ГПЗ-2)
Подшипник шариковый упорный 688811 С17 (ГПЗ-20)
Подшипник шариковый упорный 688811 АКС17 (ГПЗ-20)
Подшипник шариковый упорный 688811 С23 (ГПЗ-20)
Подшипник шариковый упорный 688811 С9
Подшипник шариковый упорный 688811 АК1С17 (ГПЗ-20)