Главная > Подшипники>RS-5009NR

RS-5009NR — Цилиндрический роликоподшипник, импортное производство по ISO стандарту номер основного исполнения .
Производитель: NSK.
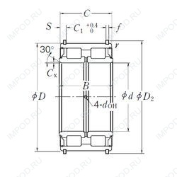
Стопорное кольцо и проточка под него в наружном кольце подшипника.
Цена по запросу
Цена на подшипник зависит от:
Габаритные размеры
Размеры и геометрические характеристики
Нагрузка и ресурс
Радиальный шарикоподшипник P6009-GB (ZEN)
Радиальный шарикоподшипник P6009-SB (ZEN)
Подшипник шариковый радиальный двухрядный PC45750032CS (PFI)
Подшипник шариковый из нержавеющей стали S6009-2RS (ZEN)
Подшипник шариковый радиальный S6009-2RSR (FAG)
Подшипник шариковый радиальный S6009 (FAG, ZEN)