Главная > Подшипники>RS-5008NR

RS-5008NR — Цилиндрический роликоподшипник, импортное производство по ISO стандарту номер основного исполнения .
Производитель: NSK.
Стопорное кольцо и проточка под него в наружном кольце подшипника.
Цена по запросу
Цена на подшипник зависит от:
Габаритные размеры
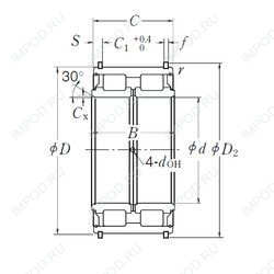
Размеры и геометрические характеристики
Нагрузка и ресурс
Подшипник шариковый упорный 18208 К (ГПЗ-2)
Подшипник шариковый упорный 5В0-58709 (ГПЗ-1)
Подшипник упорный с короткими цилиндрическими роликами однорядный без колец 999208
Радиальный шарикоподшипник NC6008 (KOYO)
Радиальный шарикоподшипник NC7008V (KOYO)
Радиальный шарикоподшипник P6008-GB (ZEN)