Главная > Подшипники> Роликовые > Радиальные сферические>RNAO45X55X34

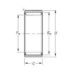
RNAO45X55X34 — Роликовый игольчатый подшипник, импортное производство по ISO стандарту номер основного исполнения .
Производится брендами: KOYO, TIMKEN.
X = Внешние размеры, соответствующие международным стандартам.
Цена по запросу
Цена на подшипник зависит от:
Габаритные размеры
Нагрузка и ресурс
Радиальный шарикоподшипник S61709 (ZEN)
Радиальный шарикоподшипник S61709-2RS (ZEN)
Роликовый игольчатый подшипник RNAO45x55x17 (CX, INA, ISO, KOYO, NBS)
Роликовый игольчатый подшипник K45X53X28H (KOYO, TIMKEN)
Подшипник игольчатый радиальный KT 455527 (IKO)
Подшипник игольчатый радиальный RNAF455517 (IKO, JNS, NSK)