Главная > Подшипники> Шариковые> Радиальные>RLS 7

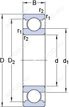
RLS 7 — Подшипник однорядный шариковый радиальный, импортное производство по ISO стандарту номер основного исполнения .
Производится брендами: CYSD, NIS, SKF, ZEN.
Цена от:1 199 р.
Цена на подшипник зависит от:
Габаритные размеры
Нагрузка и ресурс
Прочие характеристики
Подшипник однорядный шариковый радиальный RLS 7-2Z (SKF, ZEN)
Подшипник однорядный шариковый радиальный RLS 7-2RS1 (SKF)