Главная > Подшипники> Шариковые> Радиальные>RIF-814

RIF-814 — Подшипник однорядный шариковый радиальный, импортное производство по ISO стандарту номер основного исполнения .
Производится брендами: NIS, NMB.
Цена по запросу
Цена на подшипник зависит от:
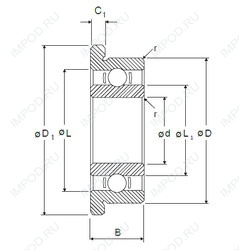
Габаритные размеры
Размеры и геометрические характеристики
Нагрузка и ресурс
Прочие характеристики
Подшипник однорядный шариковый радиальный MF126 (FBJ, ISB, ISO, NSK, ZEN)
Подшипник однорядный шариковый радиальный MF126ZZ (FBJ, ISB, ISO, NSK)
Подшипник шариковый радиальный MF126-2RS (ISO, ZEN)
Радиальный шарикоподшипник MF126-2Z (ZEN)
Радиальный шарикоподшипник MF126DD (NSK)
Радиальный шарикоподшипник MLF6012 (KOYO)