Главная > Подшипники> Роликовые > Радиальные сферические>RE242924AL1

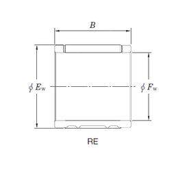
RE242924AL1 — Подшипник игольчатый радиальный, импортное производство по ISO стандарту, размер 24x29x23 номер основного исполнения .
Производитель: KOYO.
L = массивный сепаратор из лёгкого сплава.
Цена по запросу
Цена на подшипник зависит от:
Габаритные размеры
Размеры и геометрические характеристики
Нагрузка и ресурс
Защита
Присоединительные размеры
Конструкция и исполнение