Главная > Подшипники> Роликовые > Радиальные сферические>RE222725AL1

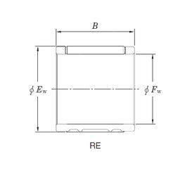
RE222725AL1 — Подшипник игольчатый радиальный, импортное производство по ISO стандарту, размер 22x27x24 номер основного исполнения .
Производитель: KOYO.
L = массивный сепаратор из лёгкого сплава.
Цена по запросу
Цена на подшипник зависит от:
Габаритные размеры
Размеры и геометрические характеристики
Нагрузка и ресурс
Защита
Присоединительные размеры
Конструкция и исполнение