Главная > Подшипники> Роликовые > Радиальные сферические>RE182224AL2

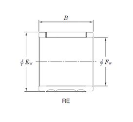
RE182224AL2 — Подшипник игольчатый радиальный, импортное производство по ISO стандарту, размер 18x22x23 номер основного исполнения .
Производитель: KOYO.
L = массивный сепаратор из лёгкого сплава.
Цена по запросу
Цена на подшипник зависит от:
Габаритные размеры
Размеры и геометрические характеристики
Нагрузка и ресурс
Защита
Присоединительные размеры
Конструкция и исполнение
Другие размеры