Главная > Подшипники> Роликовые > Радиальные сферические>RE151917BL3

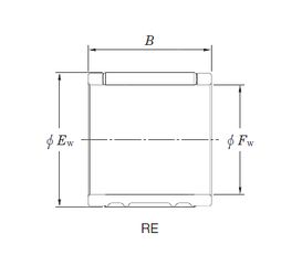
RE151917BL3 — Подшипник игольчатый радиальный, импортное производство по ISO стандарту, размер 15x19x17 номер основного исполнения .
Производитель: KOYO.
B = однокомпонентное ребристое внутреннее кольцо.
Цена по запросу
Цена на подшипник зависит от:
Габаритные размеры
Размеры и геометрические характеристики
Нагрузка и ресурс
Защита
Присоединительные размеры
Конструкция и исполнение
Другие размеры
Подшипник радиальный роликовый игольчатый однорядный без колец К15X19X17
Подшипник игольчатый радиальный 15R1917BP-2 (KOYO)
Роликовый игольчатый подшипник K 15x19x17 (CX, FBJ, INA, ISO, NBS)
Подшипник игольчатый радиальный R15/17 (KOYO)