Главная > Подшипники> Роликовые > Радиальные сферические>RE141817AL2-2

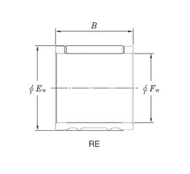
RE141817AL2-2 — Подшипник игольчатый радиальный, импортное производство по ISO стандарту, размер 14x18x16 номер основного исполнения .
Производитель: KOYO.
L = массивный сепаратор из лёгкого сплава.
Цена по запросу
Цена на подшипник зависит от:
Габаритные размеры
Размеры и геометрические характеристики
Нагрузка и ресурс
Защита
Присоединительные размеры
Конструкция и исполнение
Другие размеры
Подшипник игольчатый радиальный К14х18х16 (ГПЗ-11)