Главная > Подшипники> Роликовые > Радиальные сферические>RE141816AL1

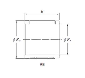
RE141816AL1 — Подшипник игольчатый радиальный, импортное производство по ISO стандарту, размер 14x18x15 номер основного исполнения .
Производитель: KOYO.
L = массивный сепаратор из лёгкого сплава.
Цена по запросу
Цена на подшипник зависит от:
Габаритные размеры
Размеры и геометрические характеристики
Нагрузка и ресурс
Защита
Присоединительные размеры
Конструкция и исполнение
Другие размеры
Роликовый игольчатый подшипник K 14x18x15 (CX, FBJ, ISO, KOYO, NBS)
Подшипник роликовый игольчатый без колец K14X18X15-TV (INA)
Роликовый игольчатый подшипник K14x18x15TN (SKF)