Главная > Подшипники> Роликовые > Радиальные сферические>RE121613AL1

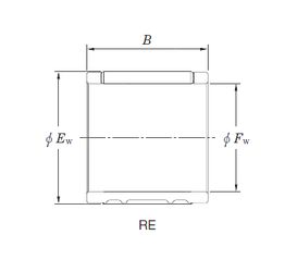
RE121613AL1 — Подшипник игольчатый радиальный, импортное производство по ISO стандарту, размер 12x16x12 номер основного исполнения .
Производитель: KOYO.
L = массивный сепаратор из лёгкого сплава.
Цена по запросу
Цена на подшипник зависит от:
Габаритные размеры
Размеры и геометрические характеристики
Нагрузка и ресурс
Защита
Присоединительные размеры
Конструкция и исполнение
Подшипник роликовый игольчатый с наружным кольцом с плоским дном с сепаратором ВК121612
Подшипник роликовый игольчатый с наружным кольцом с профилированным дном без сепаратора НД121612
Подшипник роликовый игольчатый с наружным кольцом со сквозным отверстием без сепаратора НК121612
Подшипник роликовый игольчатый с наружным кольцом с профилированным дном без сепаратора СК121612
Роликовый игольчатый подшипник F-1212 (NSK)
Игольчатый роликоподшипник FJT-1212 (NSK)