Главная > Подшипники> Роликовые > Радиальные сферические>RE101413BL1-1

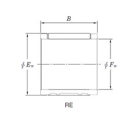
RE101413BL1-1 — Подшипник игольчатый радиальный, импортное производство по ISO стандарту, размер 10x14x12 номер основного исполнения .
Производитель: KOYO.
B = однокомпонентное ребристое внутреннее кольцо.
Цена по запросу
Цена на подшипник зависит от:
Габаритные размеры
Размеры и геометрические характеристики
Нагрузка и ресурс
Защита
Присоединительные размеры
Конструкция и исполнение
Подшипник игольчатый радиальный CK101412E (EPK)
Подшипник роликовый игольчатый с наружным кольцом с плоским дном с сепаратором ВК101412
Подшипник роликовый игольчатый с наружным кольцом с профилированным дном без сепаратора НД101412
Подшипник роликовый игольчатый с наружным кольцом со сквозным отверстием без сепаратора НК101412
Подшипник роликовый игольчатый с наружным кольцом с профилированным дном без сепаратора СК101412
Роликовый игольчатый подшипник BK1012 (CX, INA, ISO, KOYO, NBS)