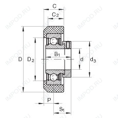
Главная > Подшипники> Шариковые> Радиальные>RCRA20/46-FA106

RCRA20/46-FA106 — Подшипник для корпуса, импортное производство по ISO стандарту номер основного исполнения .
Производитель: INA.
A1 = Конический роликовый подшипник однорядный
Цена по запросу
Цена на подшипник зависит от:
Габаритные размеры